上海程斯智能科技有限公司
联系人:高先生
手机:13386202197
手机:19821311892
地址:上海市松江区洞业路999号
CSI-Z017药液转移器刺穿力测试仪
一、核心功能
穿刺力测量:
金属穿刺器:最大穿刺力 ≤25 N(符合ISO 8362-2:1988);
塑料穿刺器:最大穿刺力 ≤80 N,平均值 <75 N(符合ISO 8536-2:2001);
实时绘制穿刺力-位移曲线,捕捉峰值力及穿刺过程稳定性。
多场景适配:支持不同穿刺角度(垂直/倾斜)、速度及重复穿刺测试(验证针尖耐用性)。
自动化控制:PLC系统+7寸触摸屏(中英文界面),自动生成测试报告。
二、技术参数
项目 | 参数 |
控制系统 | PLC控制系统 |
操作界面 | 7寸彩色触摸屏,中英文切换 |
所需的力不应超过80 N,其平均值应小于75 N(可选择更大力值范围联系销售) | |
夹具 | 配置1套 |
定制 | 可定制刺穿针1套 |
测试速度 | 以200mm/min控制速度(可任意设置无级变速) |
电源 | 220V,50Hz |
外形尺寸 | 500×500×440(mm) |

三、执行标准及试验流程
符合标准:
YY 0804—2010标准中相关条款设计制造。
ISO 85361
ISO 8536-2:2001
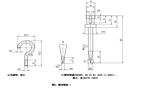
塑料穿刺器应按ISO 8536-2:2001 附录B 进行试验。
金属穿刺器应按ISO 8362-2:1988 附录B 进行试验。
预处理:
穿刺针与胶塞在20℃±2℃环境下平衡1小时;
安装适配夹具,确保穿刺方向垂直(偏差≤1°)。
穿刺测试:
设置穿刺速度(金属针:100 mm/min;塑料针:200 mm/min);
启动设备,实时记录穿刺力峰值及曲线变化。
结果判定:
金属穿刺器力值≤25 N,塑料穿刺器力值≤80 N且平均值<75 N为合格。
四、注意事项
校准要求:定期校验力传感器及位移精度,避免数据漂移;
夹具匹配:不同规格穿刺针(14G–30G)需专用夹具;
环境控制:非标准温湿度需按附录校正测试结果。
注:设备操作需严格遵循 YY0804-2010 或 ISO 8536-2:2001 标准,确保临床使用安全性。
五、配置清单
主机1台;
测试软件1套;
说明书1份;
合格证1份;
保修卡1份;
签收单1份;
铭牌1块;
电源线1根;
扳手1套;
宣传册若干;